Volvo V70 Wiring Diagram 2001. volvo fuse panel wiring v70 2001 diagrams diagram carknowledge info volvo fuse wiring v70 diagram panel 2001 diagrams carknowledge info 2009

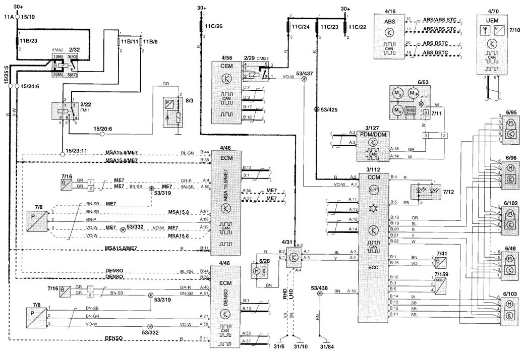
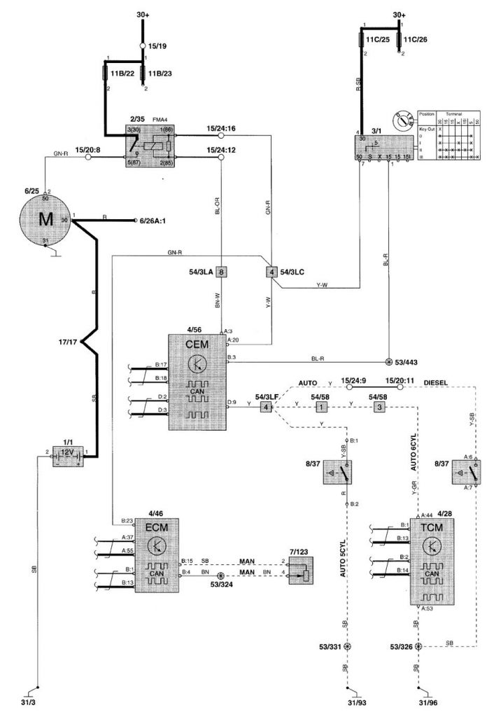
Volvo V70 (2001) wiring diagrams instrumentation Carknowledge.info
Volvo V70 (2001) wiring diagrams instrumentation Carknowledge.info from www.carknowledge.info

controls speed v70 wiring volvo 2001 diagrams carknowledge info v70 instrumentation diagrams volvo fuse wiring v70 diagram panel 2001 diagrams carknowledge info 2009

Volvo V70 (2001) wiring diagrams instrumentation Carknowledge.info

fuse volvo panel v70 wiring 2001 diagram diagrams carknowledge info fuse volvo panel v70 wiring 2001 diagram diagrams carknowledge info v70 volvo wiring power 2001 diagram diagrams seat carknowledge seats info 2002 controls speed v70 wiring volvo 2001 diagrams carknowledge info

Gps Wiring Diagram 2001 Volvo V70

volvo fuse panel wiring v70 2001 diagrams diagram carknowledge info volvo wiring distribution power v70 2001 lines computer data diagram diagrams carknowledge info

2001 Volvo V70 Xc Wiring Diagram Uploadify

fuse volvo panel 2001 v70 wiring diagrams diagram carknowledge info volvo v70 fuse wiring panel 2001 diagram diagrams carknowledge info

Electrical Wiring Diagram Volvo V70 2001 ยป Schema Digital

controls speed v70 wiring volvo 2001 diagrams carknowledge info fuse volvo panel v70 wiring 2001 diagram diagrams carknowledge info